PG中国电子技术有限公司-核异构体电池技术领军者

您好,欢迎访问PG电子官方网!20年专注核异构体电池研发,能量密度超传统电池1000倍

PG中国电子技术有限公司-核能电源专家

News技术前沿

您当前所在位置: 主页 > 技术前沿 > 企业新闻

下列各组粒子属于同种核素的是互为同位素的是互为同素异形体分异构体①16O2和18O3②质子数相同而中子数不同的两种粒子③④和⑤葡萄糖和果糖⑥题目和参考答案——青夏教育精英家教网

发布日期:2025-08-28  浏览次数:

  试题分析:核素是指具有一定数目质子和一定数目中子的一种原子;具有相同质子数,不同中子数(或不同质量数)同一元素的不同核素互为同位素;具有相同分子式而结构不同的化合物互为同分异构体;同素异形体是同种元素形成的不同单质。①是同种元素形成的不同单质,互为同素异形体;②质子数相同而中子数不同的两种粒子,若为分子或离子,则不是同位素;③(核内15个中子)质子数和中子数都相同,属于同种核素;⑤葡萄糖和果糖是具有相同分子式,结构不同的化合物,互为同分异构体;⑥

  用数轴表示化学知识,并按某种共性对化学物质进行分类,有简明易记的效果。例如,根据碳素钢的含碳量,将其分为低碳钢、中碳钢、高碳钢,利用数轴分类法可将其表示为:

下列各组粒子属于同种核素的是互为同位素的是互为同素异形体分异构体①16O2和18O3②质子数相同而中子数不同的两种粒子③④和⑤葡萄糖和果糖⑥题目和参考答案——青夏教育精英家教网(图1)

下列各组粒子属于同种核素的是互为同位素的是互为同素异形体分异构体①16O2和18O3②质子数相同而中子数不同的两种粒子③④和⑤葡萄糖和果糖⑥题目和参考答案——青夏教育精英家教网(图2)

  (2)某化学兴趣小组欲研究H2SO4、KCl、NaCl、Na2CO3、Na2SO3、NaOH六种物质的性质,对于如何研究,他们设计了两种研究方案:

  方法Ⅱ:将它们按照钠盐、钾盐和其他化合物分类,然后分别溶于水得到溶液,进行实验。

  ①根据方案Ⅰ进行分类时,经实验测得KCl、NaCl溶液的pH等于7;H2SO4溶液的pH小于7;Na2SO3、Na2CO3、NaOH溶液的pH大于7。由此有的同学按分类法思想把Na2SO3、Na2CO3与NaOH都划分为碱类是否合理?为什么?。

  ②在方案Ⅰ中,某同学发现盐类物质中的KCl、NaCl在与PG电子平台网站其他物质混合时现象相同,无法区分,请设计一种简单的方法区分这两种物质。

  ③在方案Ⅱ中,三种钠盐用其他物质中的可加以区分,有关反应的化学方程式分别为。

  ④该兴趣小组中的一位同学认为,还可以根据是否含有钠元素将上述六种物质分为Na2SO3、Na2CO3、NaCl、NaOH和H2SO4、KCl两类。在用H2SO4鉴别四种含钠元素的物质时,Na2SO3和Na2CO3很容易得到了区分,但鉴别NaCl和NaOH时却陷入了困境,请设计一个实验来解决这一难题:。

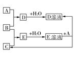
  以下是依据一定的分类标准,对某些物质与水反应情况进行分类的分类图。请根据你所学的知识,按要求填空:

下列各组粒子属于同种核素的是互为同位素的是互为同素异形体分异构体①16O2和18O3②质子数相同而中子数不同的两种粒子③④和⑤葡萄糖和果糖⑥题目和参考答案——青夏教育精英家教网(图3)

  (3)D组物质中,与水反应时氧化剂和还原剂的物质的量之比为1:1的物质是(填化学式)。

  已知A、B、C为中学化学中常见的单质。室温下,A为固体,B和C均为气体。在适宜的条件下,它们可以按图进行反应。

下列各组粒子属于同种核素的是互为同位素的是互为同素异形体分异构体①16O2和18O3②质子数相同而中子数不同的两种粒子③④和⑤葡萄糖和果糖⑥题目和参考答案——青夏教育精英家教网(图4)

  (1)A、B、C三种元素中的任意两种元素形成的化合物所属物质类别一定不是________。

在线客服
服务热线

服务热线

13956963336

微信咨询
返回顶部
X

截屏,微信识别二维码

微信号:13956963336

(点击微信号复制,添加好友)

打开微信

微信号已复制,请打开微信添加咨询详情!